Project description The legendary echo machine EP-3 pre-amp as designed by Xotic. The EP Booster provides up to +20dB of boost with shimmering highs and lows. The DIP switches let you choose the boost frequencies, and EQ settings.
- Hello, I have trouble with my ep booster clone. I used this schematic and pcb from the same site: I get a sound when the pedal is engaged but not.
- Yamaha Diagrams, Schematics and Service Manuals - download for free! Including: yamaha 2 dsp hist, yamaha 2 z9 webpdf, yamaha 2006generalcatalogue, yamaha a1 integrated amplifier service manual, yamaha a720 integrated amplifier service manual, yamaha a960 integrated amplifier service manual, yamaha a1000 integrated amplifier service manual, yamaha a 1020, yamaha ampli99 cat32 us, yamaha aus.
Once upon a time there was a legendary piece of guitar gear. It was called the Echoplex (EP-3). Many great guitarists from lands distant and near used this epic device to create tones of legend still sought after to this day. These noteworthy guitar giants include, to name but a few, Jimmy Page, Eric Johnson, and Eddie Van Halen. The EP-3 had a distinctive preamp section which such guitarists used for its subtle, yet mythical effect on their tone. Xotic sought to capture the magic of the EP-3 in a tiny little box. In our Xotic EP Booster review, I’ll tell you a tale about what might be one of the best guitar clean boost guitar pedals you’ll ever own.
Features:
Up to +20db discrete FET design clean boost.
Internal +3db dip switch for setting the minimum boost level to 0 or +3db gain.
Internal Bright Switch for adjusting the EQ from a normal FLAT EQ setting (ON position) to a darker, VINTAGE setting (OFF position).
True Bypass for eliminating any signal interference when switched off.
Power by 9-volt battery or 9VDC power adapter. May also be powered at 18-volts with the Xotic Voltage Doubler.
Sound & Performance:
Okay, time to get serious. I have to first start out by saying this is a difficult pedal to talk about. Why, you ask? Well, because it does something. And it does something pretty amazing. But it’s hard to describe exactly what that is.

First off, I plugged my Strat straight into the EP Booster and into a clear clean amp channel. I struck a simple G chord. Then I kicked in the EP Booster with its single knob set around 9 o’clock and strummed again.
It’s almost as if my guitar was dead before and it suddenly came alive. It’s hard not to speak about this pedal in abstract terms. It’s as if the EP Booster reveals a previously hidden dimension to the sound of your guitar.
I originally thought I was hearing a boost of some kind to the low and high frequencies, but after repeated A/B listening to the sound with and without the EP Booster it’s as if simply adds more harmonic depth to the sound.
I’ve realized that it’s hard to accurately explain this pedal in any way. You just have to hear it for yourself. Every tone-obsessed guitarist owes it to their ears to try the EP Booster. It’s like this pedal sprinkles magic all over your tone.
With the +3db switch off and the knob rolled all the way down, the signal matches your bypassed tone with unity gain. With the pedal engaged, the pedal somehow evens out your tone ever so slightly. It’s subtle, yet distinct at the same time. This pedal is full of strange contradictions in the best possible way.
Flipping the Bright Switch to the off position gives your tone a noticeably darker, vintage sound. The EP Booster shaves off just the right amount of high end to wrap your guitar signal in a gentle warmth. My only complaint with this pedal is that the dip switch functions aren’t located on top as tiny flip switches. I can’t decide which mode I like more, bright or vintage, and I’m sure I’d find a frequent application for both if I didn’t have to open the pedal. Although once you find the setting that works for you, you may never have to touch the pedal again.

On clean channels the knob serves to add a considerable amount of boost, great for defining a boosted lead tone. But considering how the mysterious magic of this pedal increases as you turn the knob, you may want to turn it up to a level that suits you and tailor your amp tone and volume level around the EP Booster. It may just become that indispensable to your sound.
The noise floor does rise as you crank the knob, so only a little bit of this pedal’s characteristic boost may be necessary. But no matter how you use it, it’s hard to get a bad sound from the EP Booster.
On high gain amp settings, the volume boost from the EP Booster becomes diminished, but the mojo from the pedal remains ever present. Seriously, you can just leave on and forget about it. Its subtle character enhancement sounds good for any sound.
For the duration of this test I used the Voodoo Labs Pedal Power 2 to supply current to the EP Booster. Like the Xotic SP Compressor and Xotic SL Drivepedals, the EP Booster and also be powered at 9V and 18V. The sound is just as clear and full at the higher voltage, and while the difference is again subtle, there is a slight jolt of additional power and impact from running the EP Booster at 18V. It’s an option worth considering if you have an 18V power supply available.
UPDATE: I tested the Xotic EP Booster with the new Xotic Voltage Doubler (as shown in the video above). Now you can hear for yourself the difference of running this pedal at 18-volts. The difference is more of a feel thing for me. The more I play I also sometimes notice an added presence to the sound. It’s definitely worth trying. The Xotic Voltage Doubler can also be used with other 9-volt pedals that are capable of being used with 18-volts (Check your pedals’ manuals before plugging it in!). But it’s definitely worth checking out to give your EP Booster a little power boost.
Okay, let’s wrap this up.
The Xotic EP Booster really is a magical little box. Once you play through this pedal you may never want to play without it again. The EP Booster will add a new dimension to your tone, revealing a harmonic character that seems to upgrade your sound in the best possible way. Warning: only try this pedal if you’re able and willing to make a purchase. This is one you’ll want to take with you. It may not only be the best guitar clean boost pedal you’ll ever use, but the missing link to crafting your perfect tone.
That concludes our Xotic EP Booster Review. Thanks for reading.
Want to buy the Xotic EP Booster?
Steps
Categories
Enclosure and wiring Step 4 of 4
PLACEMENT
You should install all the parts (DC and 3.5 jack connectors, 9V battery clip, 3PDT foot switch, assembled PCB...) in the enclosure. The led diode and its holder can be placed where you want. The round side and longest leg is the anode (marked as a square pad in the PCB). It is possible that you need to remove the little metal tag from the potentiometers to easily install them in the enclosure.
You can create your own element distribution and use many types of enclosures. It is recommended to use a metal enclosure and connect it to the ground in order to attenuate the noise (usually the GND of tthe input and output jacks are in contact with the enclosure). For this project, you can use the 1590B enclosure. After the drilling, you can paint and decorate the enclosure as you desire. Finally, install all the elements and you can beguin with the wiring.
WIRING
For the wiring you should use 24 AWG stranded wire. Wire all the elements as indicated in the following diagram, for the ground (GND) no mater the order you use if all the elements are connected. You can power up the circuit with DC adapter (9V) or a battery. The diagram shows the connections to use the DC connector as negative tip (standardized Boss style 2.1 mm with a negative tip orientation).
Ep Booster Manual
You can connect the two switches (S1: bass, S2: treble) as follows.
WIRING WITH THE 'FOOTSWITCH PCB'
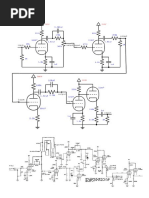
Ep Booster Pedal Schematic
You can also use the PCB for 3PDT footswitch. It will help you to wire all the components, keep a neat circuit and reduce the noise. The PCB also includes pads for the led and its current limiter resistor.